Postrková kočka SVERO, typ 20XXX
Oblíbená a všestranná postrková kočka SVERO.
Díky své 3ílné konstrukci nabízí velmi jednoduchou montáž. Vhodné pro nosníky typu IPE, HEA, HEB a INP. Skutečnému nosníku se snadno přizpůsobí, pomocí pravého a levého závěsného šroubu. Vhodné pro většinu značek zvedacích a elektrických kladkostrojů.
Postrkové kočky SVERO jsou v souladu s technickou normou EN 13157 a evropskou směrnicí 2006/42/EC o strojních zařízení.
- Ocelová kola s kuličkovými ložisky, navrženými pro různé profily nosníků
- Každý kus je označen vlastním originálním výrobním číslem a před odesláním je testováno zatížení u každého kusu (1.5xWLL)
- Provozní teplota -10°C až 50°C
- Bezpečnostní faktor SF 4:1
- Přiložené ES prohlášení o shodě a test certificate
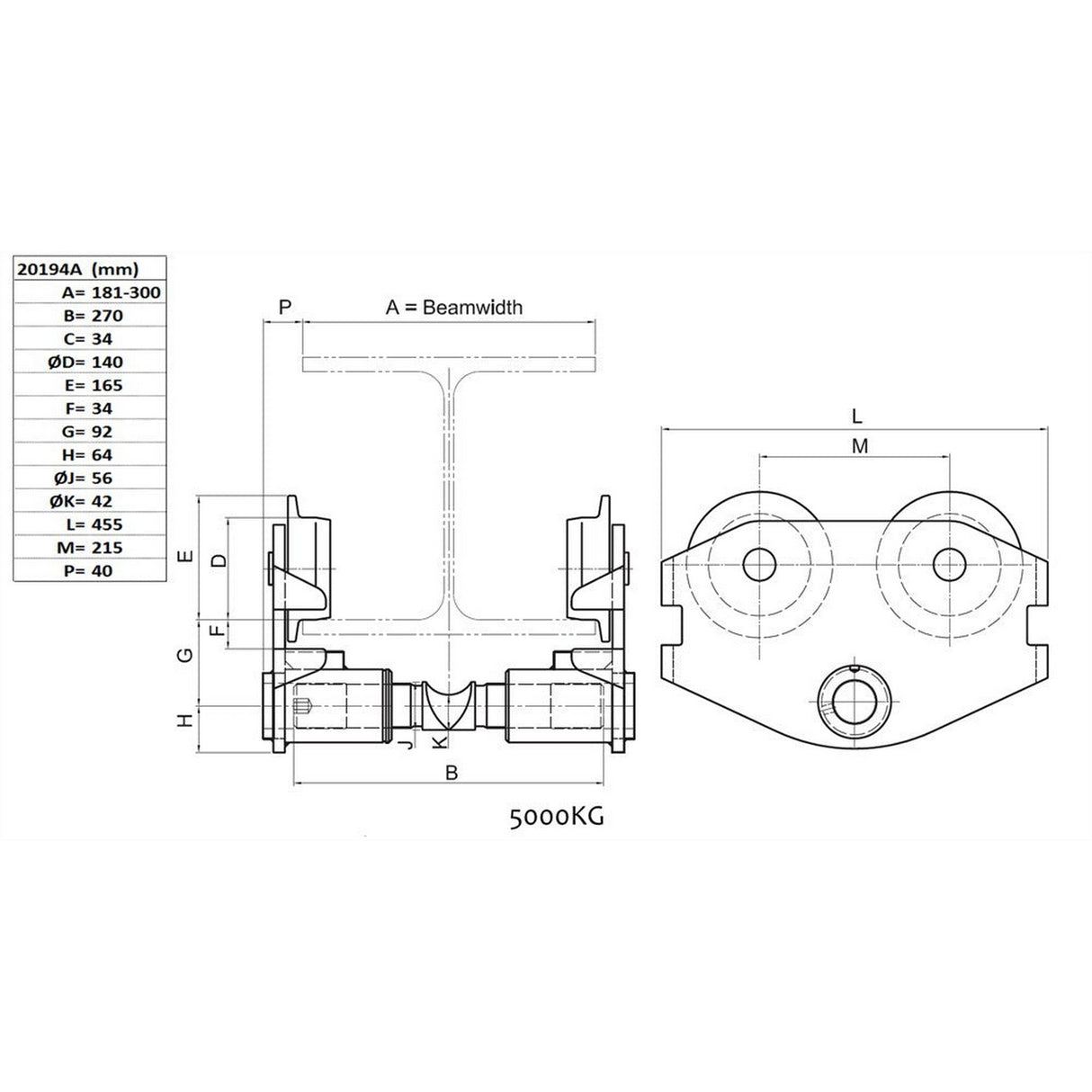
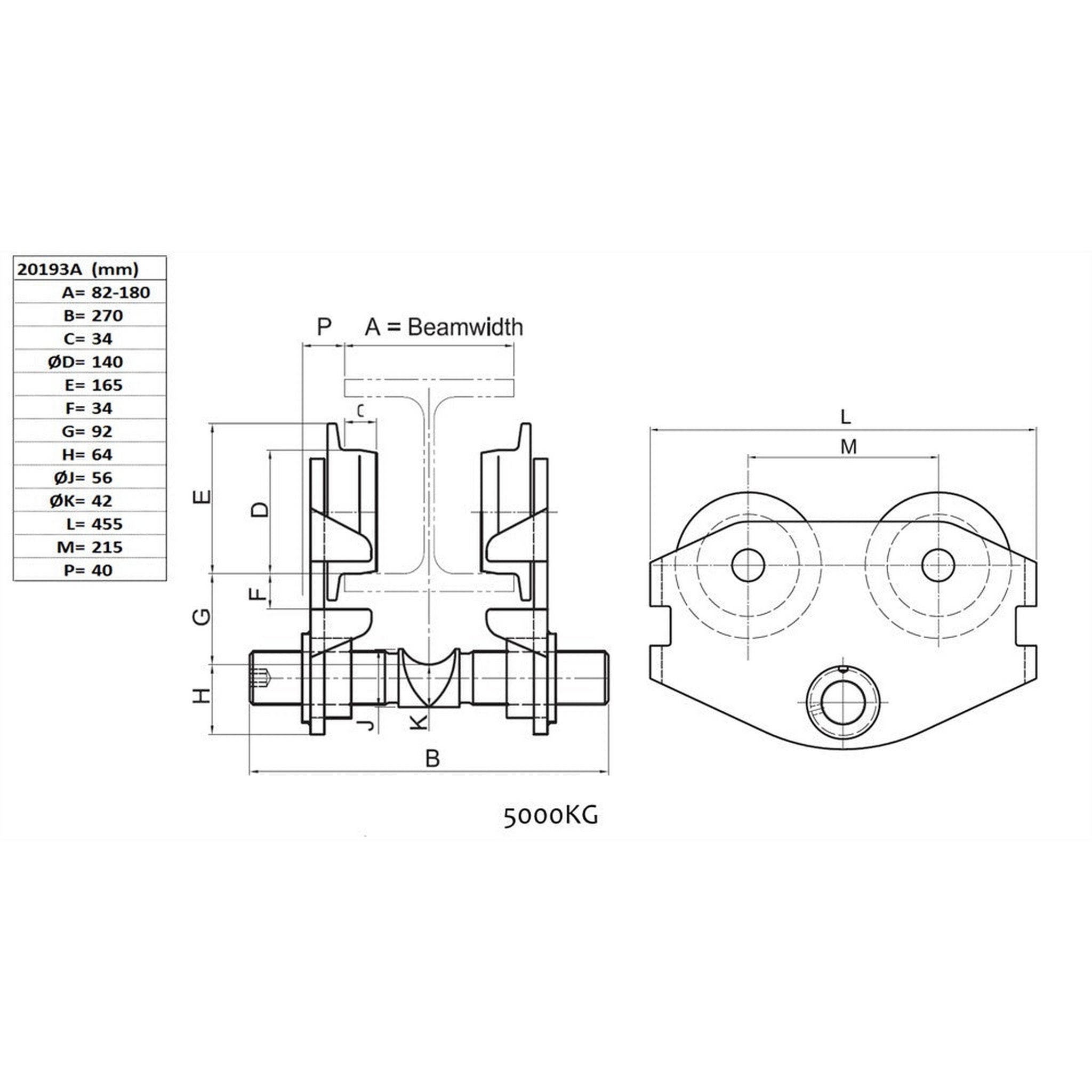
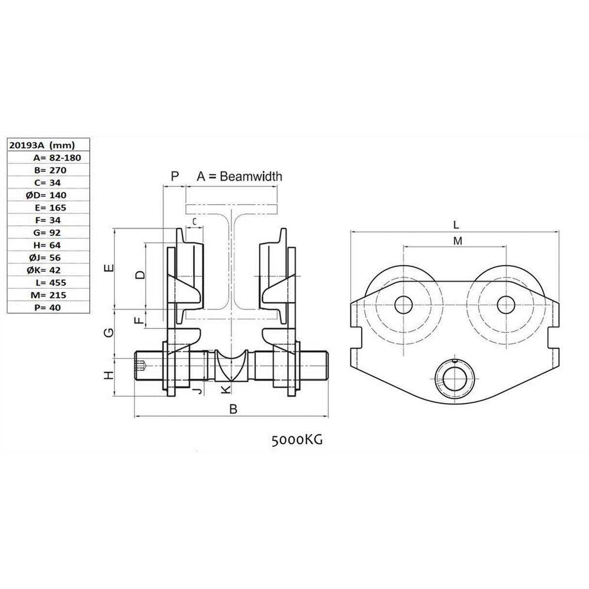
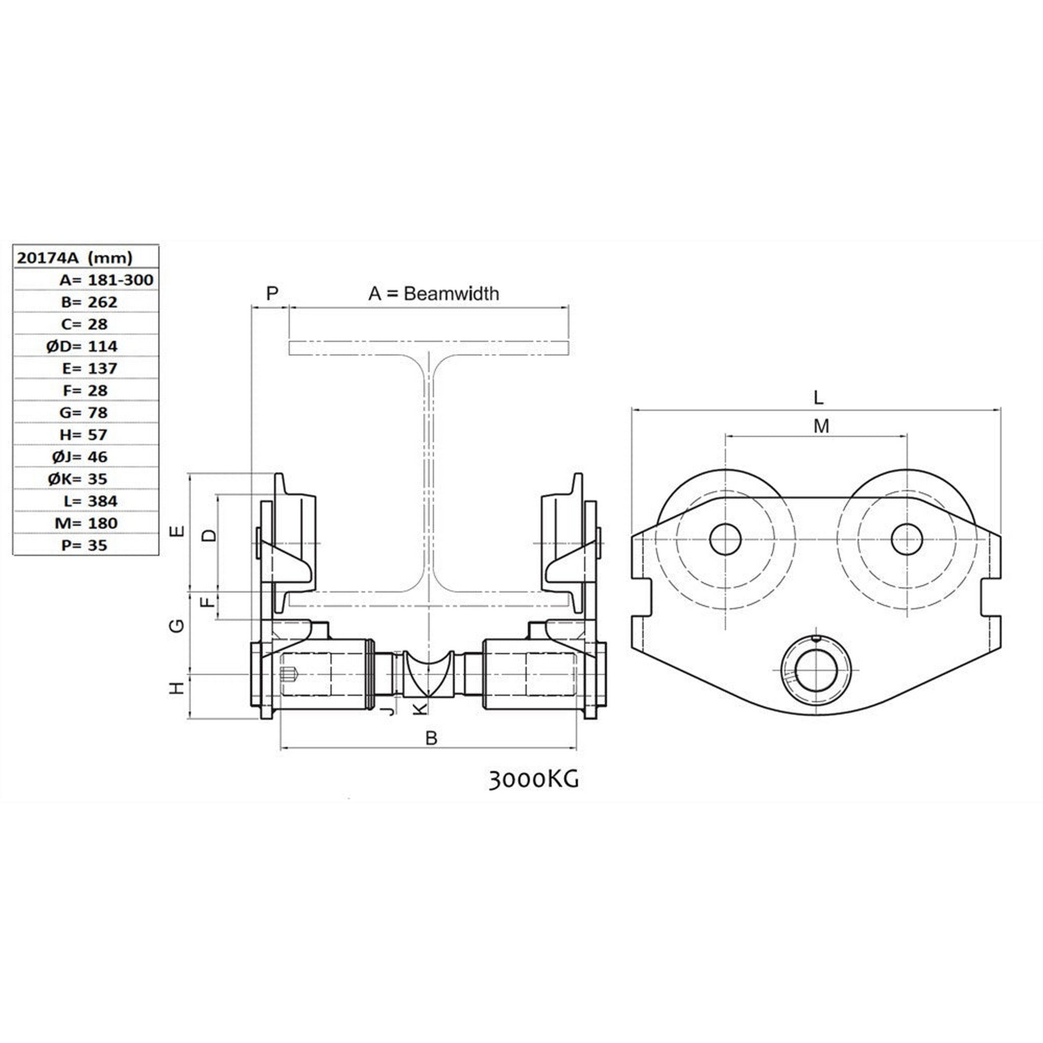
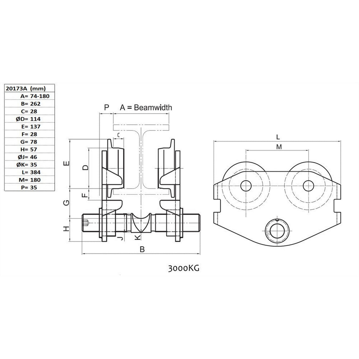
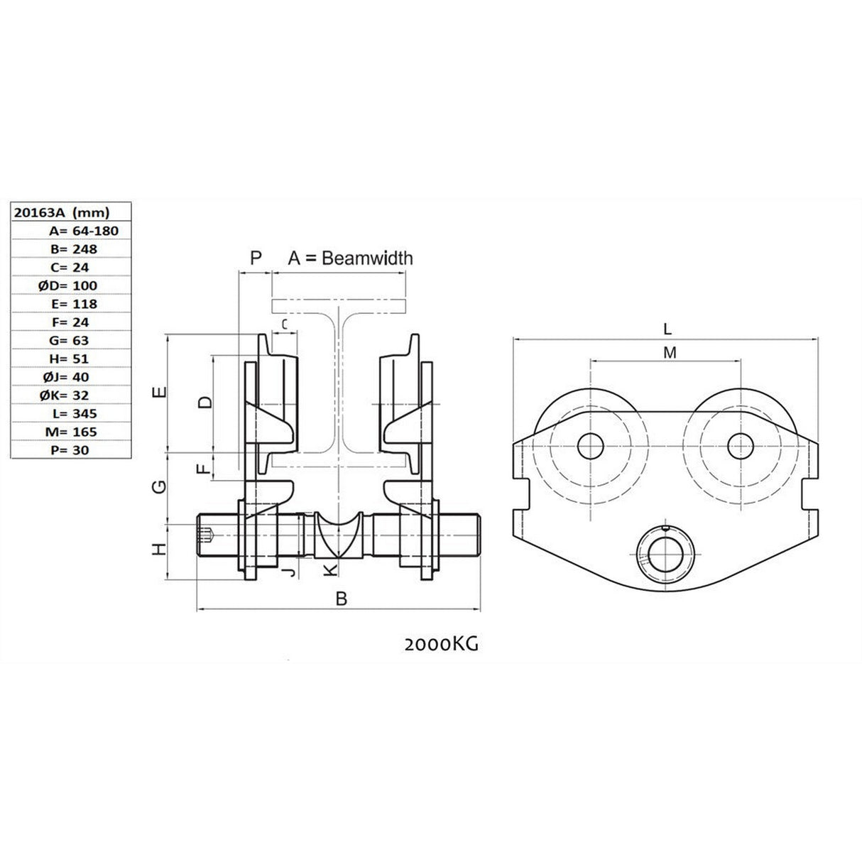
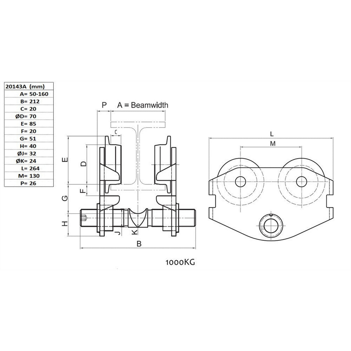
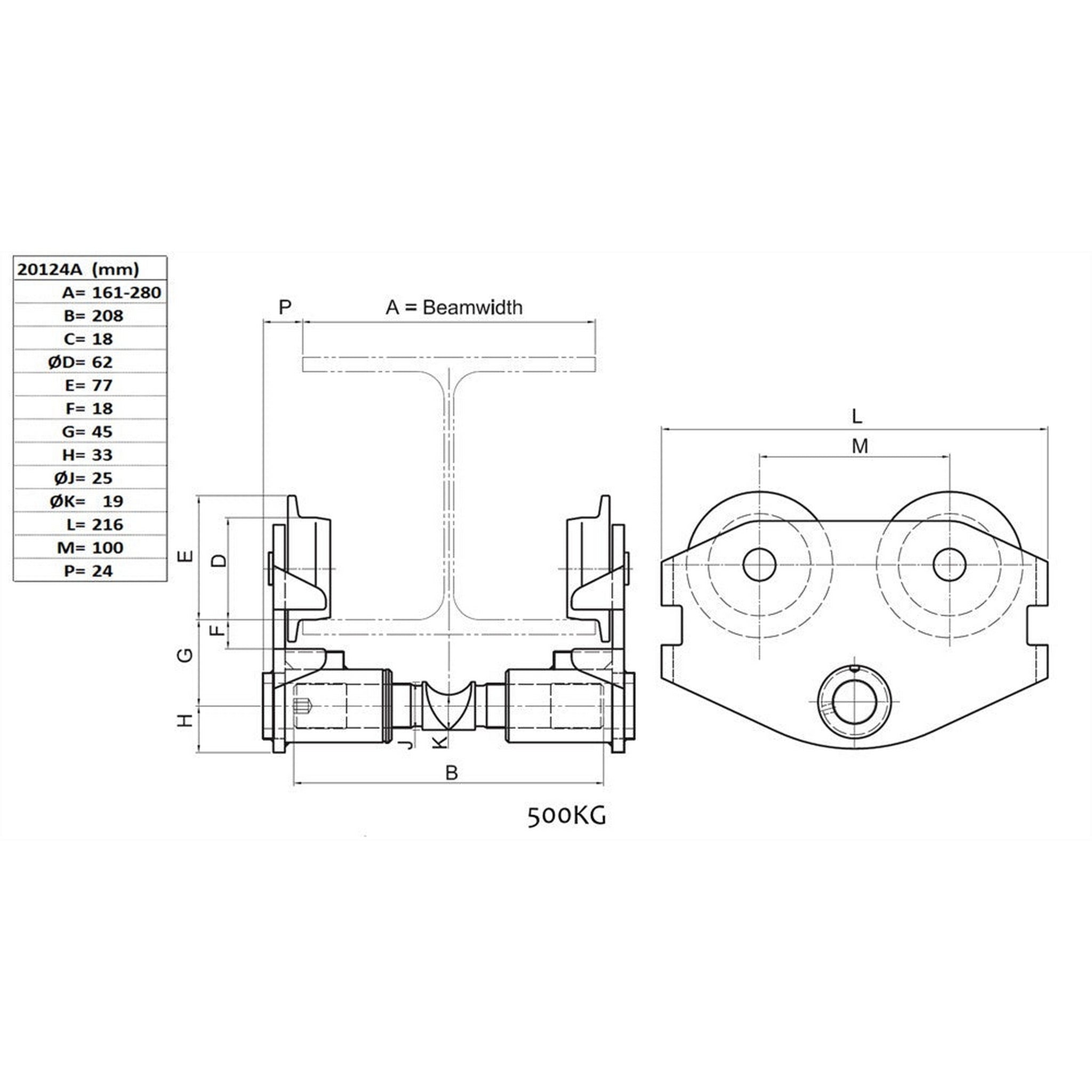
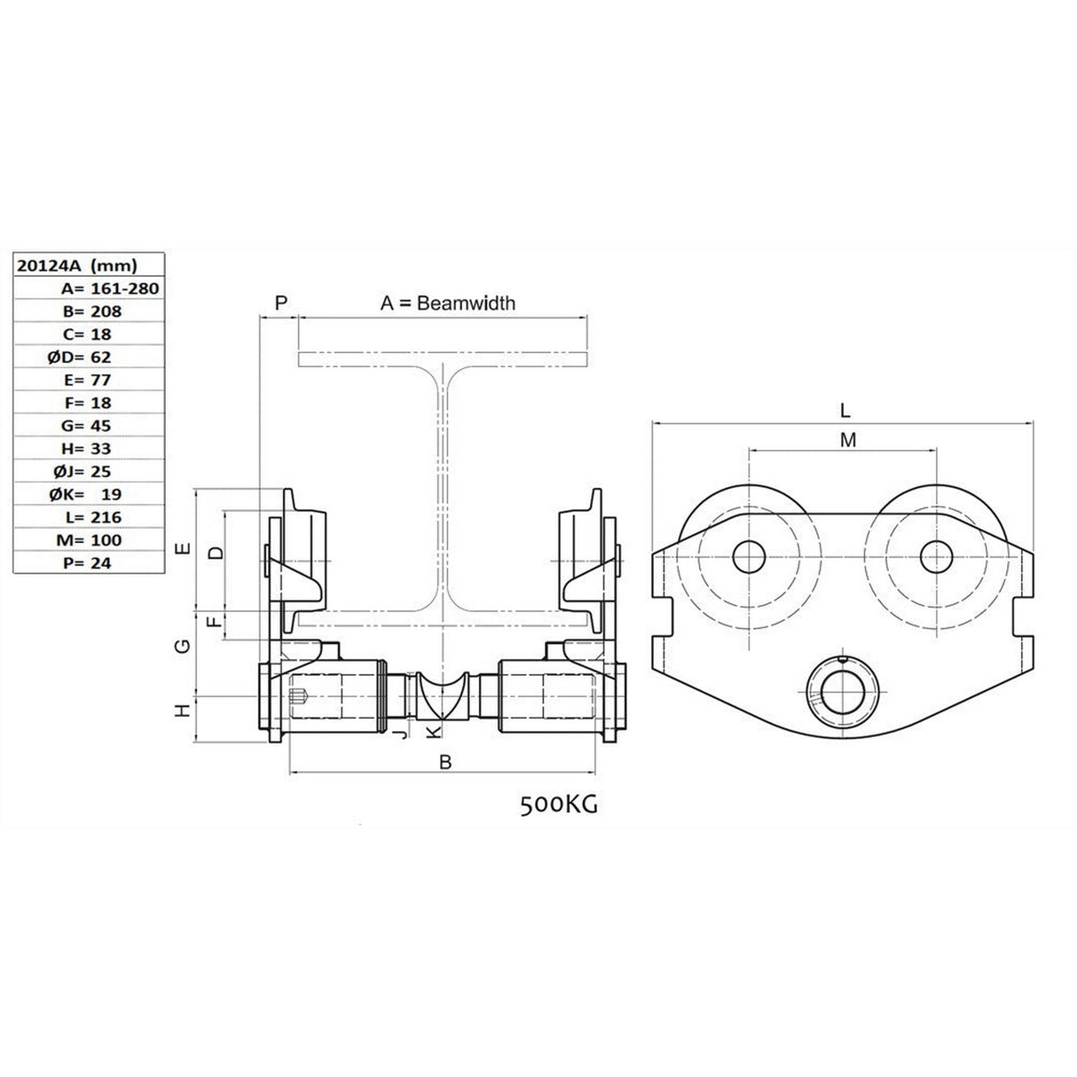
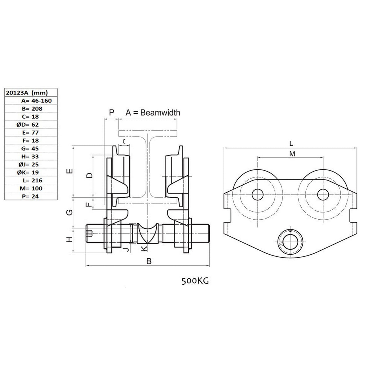
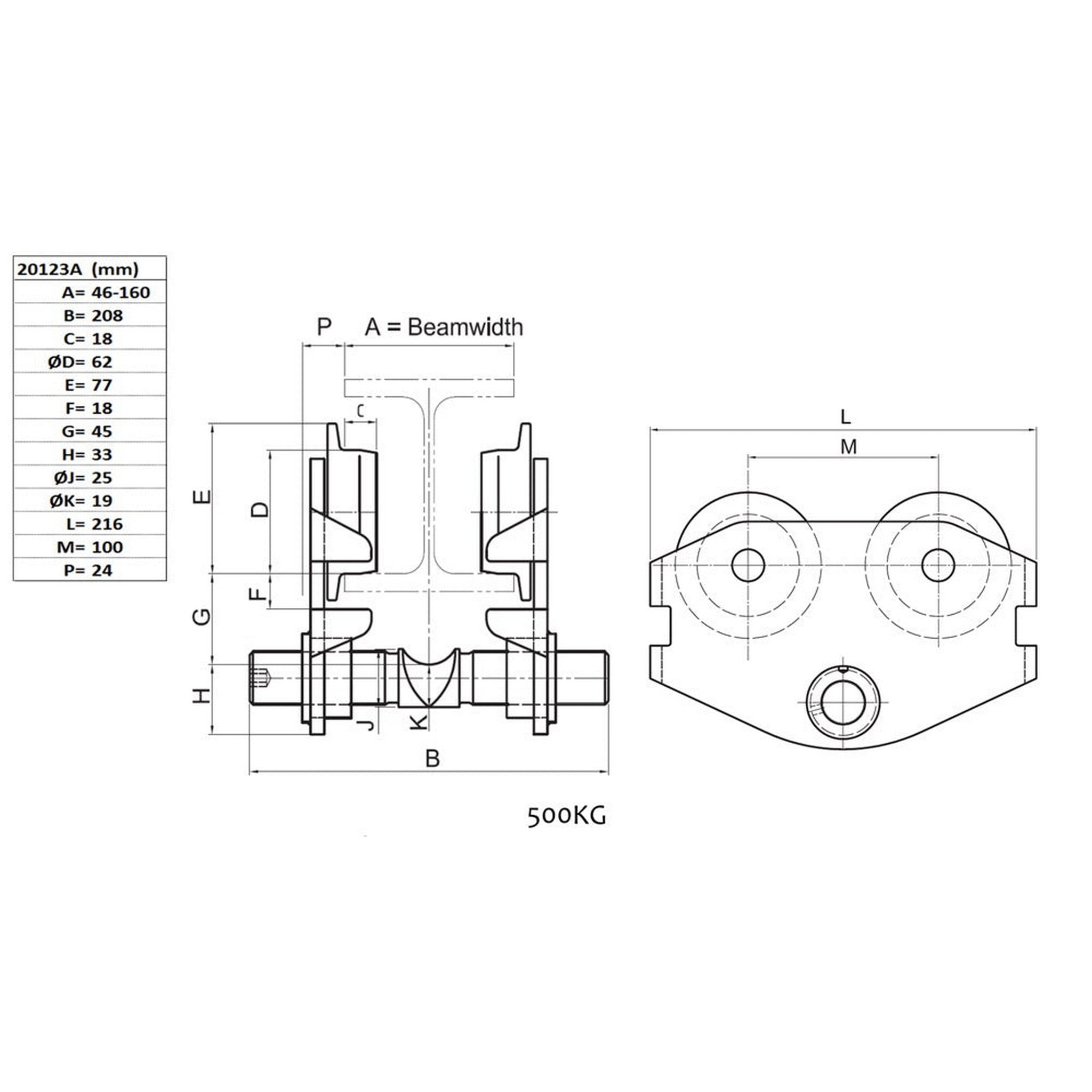
Technické informace:

| Typ | WLL | A (min-max) | B | C | D | E | F | G | H | J | K | L | M | P | Min. rádius oblouku | Hmotnost |
| --- | t | mm | mm | mm | mm | mm | mm | mm | mm | mm | mm | mm | mm | mm | m | kg |
| 20123A | 0,5 | 46-160 | 208 | 18 | 62 | 77 | 18 | 45 | 33 | 25 | 19 | 216 | 100 | 24 | 1,00 | 6,0 |
| 20124A | 0,5 | 161-280 | 208 | 18 | 62 | 77 | 18 | 45 | 33 | 25 | 19 | 216 | 100 | 24 | 1,00 | 6,4 |
| 20143A | 1 | 50-160 | 212 | 20 | 70 | 85 | 20 | 51 | 40 | 32 | 24 | 264 | 130 | 26 | 1,25 | 9,4 |
| 20144A | 1 | 161-280 | 212 | 20 | 70 | 85 | 20 | 51 | 40 | 32 | 24 | 264 | 130 | 26 | 1,25 | 10,7 |
| 20163A | 2 | 64-180 | 248 | 24 | 100 | 118 | 25 | 63 | 51 | 40 | 32 | 345 | 165 | 30 | 1,80 | 19,0 |
| 20134A | 2 | 181-300 | 248 | 24 | 100 | 118 | 25 | 63 | 51 | 40 | 32 | 345 | 165 | 30 | 1,80 | 21,0 |
| 20173A | 3 | 74-180 | 262 | 28 | 114 | 137 | 31 | 78 | 57 | 46 | 35 | 384 | 180 | 35 | 2,20 | 31,5 |
| 20174A | 3 | 181-300 | 262 | 28 | 114 | 137 | 31 | 78 | 57 | 46 | 35 | 384 | 180 | 35 | 2,20 | 34,0 |
| 20193A | 5 | 82-180 | 270 | 34 | 140 | 165 | 34 | 92 | 64 | 56 | 42 | 455 | 215 | 40 | 2,50 | 55,0 |
| 201924A | 5 | 181-300 | 270 | 34 | 140 | 165 | 34 | 92 | 64 | 56 | 42 | 455 | 215 | 40 | 2,50 | 58,0 |













Původní návod k použití, eng
Návod k použití, cz
Technické informace k SVERO kočky, typ 20