Tažné hydraulické válce s pružinovým návratem HPJ S HOLMATRO
Jednočinný tažný válec s vratnou pružinou.
Standardně dodáváno s:
- High Flow spojka s přetlakovým ventilem A 418.
| Model | Kód dílu | Pracovní tlak | Nosnost | Délka zdvihu | Návrat | Kapacita v tahu | Kapacita zvedání | Obsah oleje | Efektivní tlaková plocha* | Hmotnost | Údržbová sada obj.č | Doporučený model čerpadla | Model tlakoměru | Katalogové číslo |
| --- | --- | bar/MPa | t | mm | --- | kN/t | kN/t | cm3 | cm2 | kg | --- | --- | --- | --- |
| HPJ 11 S 15 | 100.131.001 | 720/72 | 11/- | 150 | pružina | 113/11,5 | -/- | 236/- | 15,7/- | 11,5 | 100.133.001 | HTW 300 B | A 510 | 62HO0015-0001 |
| HPJ 30 S 15 | 100.131.011 | 720/72 | 30/- | 150 | pružina | 298,7/30,5 | -/- | 623/- | 41,5/- | 26,0 | 100.133.051 | HTW 1800 B | A 510 | 62HO0015-0010 |
| HPJ 60 S 15 | 100.131.021 | 720/72 | 60/- | 150 | pružina | 610,4/62,2 | -/- | 1272/- | 84,8/- | 45,0 | 100.133.101 | EHW 1650 RC | A 510 | 62HO0015-0020 |

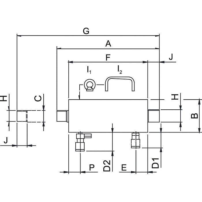
| Model | A | B | C | D1/D2 | E | F | G | H | I1/I2 | J |
| --- | mm | mm | mm | mm | mm | mm | mm | M (mm) | --- | mm |
| HPJ 11 S 15 | 320 | 92 | 40 | - / 85 | - | 250 | 470 | M38 x 1,5 | - | 30 |
| HPJ 30 S 15 | 470 | 118 | 40 | - / 85 | - | 380 | 620 | M38 x 1,5 | - | 40 |
| HPJ 60 S 15 | 530 | 157 | 60 | - / 85 | - | 400 | 680 | M54 x 1,5 | - | 60 |





HOLMATRO katalog zvedacích zařízení_Pavlínek sro