Samosvěrný otočný hák WLHW (neotáčet pod zátěží), třída 10, PEWAG WINNER
Odpovídá normě EN 1677-1 s vyšší nosností.
Pro pewag montovaný systém.
Standardní provedení - neotáčet pod zátěží.
Nepoužívat pro svařovaný systém!

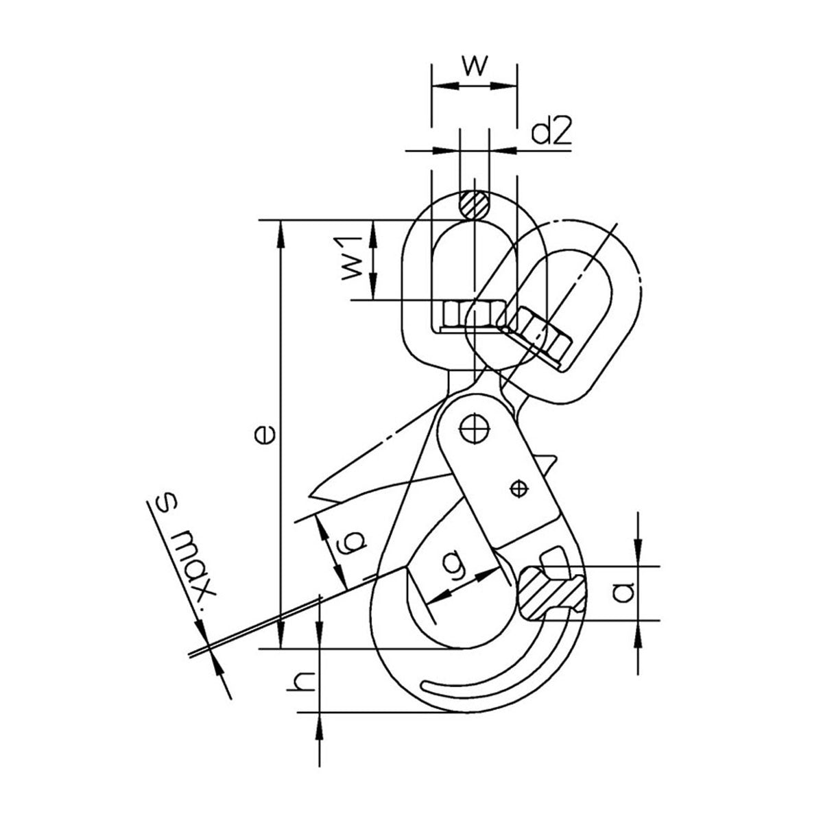
| Označení | Nosnost | e | h | a | w | w1 | d2 | g | s max. | Hmotnost |
| --- | kg | mm | mm | mm | mm | mm | mm | mm | mm | kg/ks |
| WLHW 6 | 1400 | 160 | 20 | 17 | 35 | 35 | 13 | 28 | 1 | 0,6 |
| WLHW 7/8 | 2500 | 181 | 26 | 20 | 35 | 35 | 13 | 34 | 1 | 1,1 |
| WLHW 10 | 4000 | 218 | 30 | 29 | 42 | 40 | 16 | 45 | 1 | 2,0 |
| WLHW 13 | 6700 | 269 | 40 | 35 | 49 | 47 | 20 | 52 | 2 | 4,0 |
| WLHW 16 | 10000 | 319 | 50 | 41 | 60 | 60 | 24 | 60 | 2 | 6,8 |


PEWAG_WLHW Otočný samosvorný hák_podklady_pro_stažení
WLHW Otočný samosvorný hák-Tabulka specifikací