LHW samosvěrný hák
Odpovídá normě EN 1677-3 s vyšší nosností.
Pro pewag Connex System.
Velké oko, vhodné pro lana a zvedací pásy.
Zavírá se a zajišťuje se automaticky.
Nepoužívat pro svařovaný systém!
Tento samosvorný hák se uzavírá a zajišťuje automaticky, což znamená, že nelze při zatížení otevřít. Hák je ideální v kombinaci s montovaným systémem zavěšovacích řetězů pomocí spojovacích článků CW. Díky zploštělé části oka a širší huby háku je jeho použití více flexibilní.
Tento produkt je určen pouze pro přímý tah. Je třeba dbát na to, aby špička háku a bezpečnostní pojistka nebyla zatěžována. Hák není určen do svařovaných systémů. Pokud se hák používá správně, montáž tohoto háku je jednoduchá a nevyžaduje žádné speciální nářadí.
Tento produkt se dodává s označením CE, BG certifikací a kompletním návodem k použití. Bezpečnostní pojistka VLHW na zadní straně háku je také k dispozici jako sada náhradních dílů.

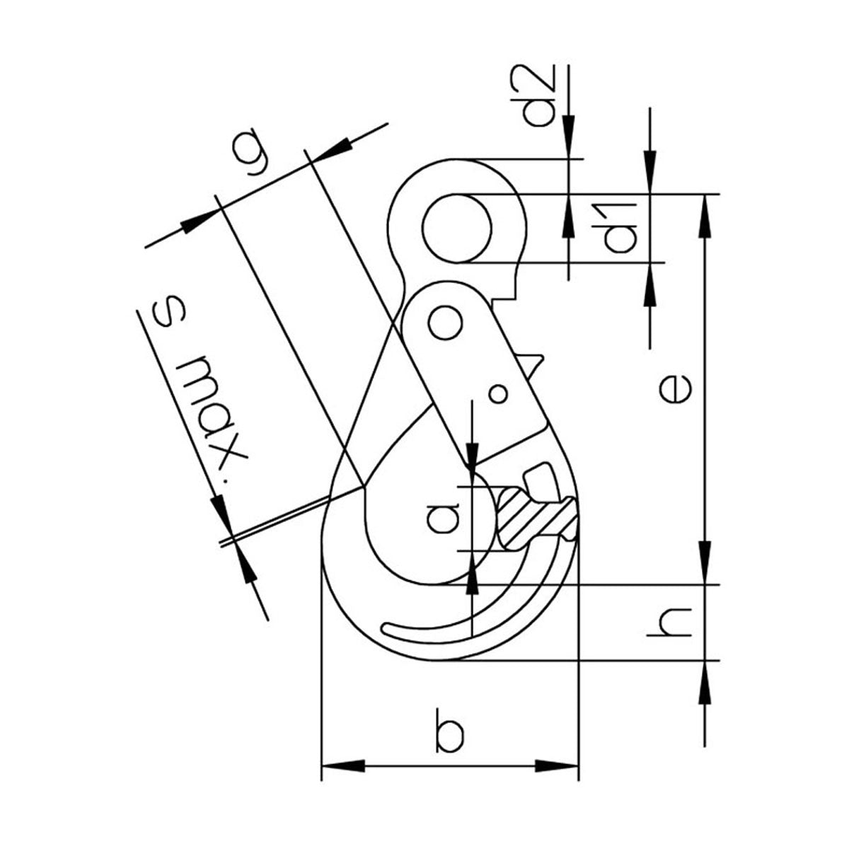
| Označení | Nosnost | e | h | a | b | d1 | d2 | g | s max. | Hmotnost |
| --- | kg | mm | mm | mm | mm | mm | mm | mm | mm | kg/ks |
| LHW 5/6 | 1400 | 110 | 20 | 17 | 71 | 21 | 11 | 28 | 1 | 0,5 |
| LHW 7/8 | 2500 | 136 | 26 | 20 | 88 | 25 | 12 | 34 | 1 | 0,9 |
| LHW 10 | 4000 | 169 | 30 | 29 | 107 | 35 | 15 | 45 | 1 | 1,5 |
| LHW 13 | 6700 | 205 | 40 | 35 | 138 | 40 | 20 | 52 | 2 | 2,7 |
| LHW 16 | 10000 | 251 | 50 | 41 | 168 | 50 | 27 | 60 | 2 | 5,7 |
| LHW 19/20 | 16000 | 290 | 62 | 50 | 194 | 60 | 30 | 70 | 2 | 9,8 |
| LHW 22 | 19000 | 322 | 65 | 52 | 211 | 70 | 32 | 81 | 2 | 12,4 |


LHW Samosvorný hák-Tabulka specifikací
PEWAG_LHW Samosvorný hák_CAD_podklady_pro_stažení