KFW formový hák se spojovacím čepem
Odpovídá normě EN 1677-1 s vyšší nosností.
Pro pewag montovaný systém.
Pro použití, kde šířka huby u KHSW nestačí. Nutno zjistit, zda je možné použít hák bez bezpečnostní pojistky.
Tento formový hák se spojovacím čepem se zvětšeným rozměrem rozevření se používá především ve slévárenství. Je vyráběn dle normy EN 1677‑1 s mechanickými hodnotami pro G10. Nese i další značky pewag kvality jako je certifikace BG a označení CE. Typickým pewag znakem je také snadná a rychlá montáž bez nutnosti použití dalšího spojovacího článku. Všechny potřebné informace pro efektivní a bezpečné použití háku naleznete v návodu k použití. Prosím, dbejte na to, že hák je určen pouze pro přímý tah a špička háku nesmí být zatěžována. Před použitím je nutno prověřit, zda je povoleno použití háku bez bezpečnostní pojistky. Montáž provedená kompetentní osobou je snadná a rychlá a bez použití speciálního nářadí. Náhradní spojovací čep a západka jsou dostupné jako náhradní sada.

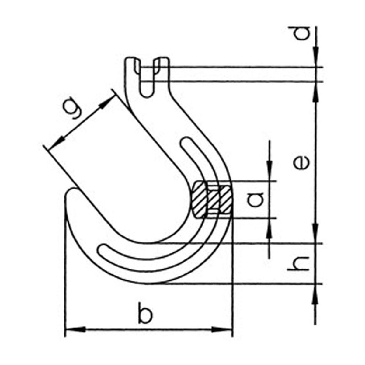
| Označení | Nosnost | e | h | a | g | d | b | Hmotnost |
| --- | kg | mm | mm | mm | mm | mm | mm | kg |
| KFW 7 | 1900 | 121 | 29 | 25 | 64 | 9,0 | 118 | 1,00 |
| KFW 8 | 2500 | 120 | 29 | 25 | 64 | 10,0 | 118 | 1,00 |
| KFW 10 | 4000 | 140 | 35 | 32 | 76 | 12,5 | 143 | 1,78 |
| KFW 13 | 6700 | 170 | 42 | 40 | 89 | 16,0 | 170 | 2,96 |


KFW Formový hák se spojovacím čepem-Tabulka specifikací
PEWAG_KFW Formový hák se spojovacím čepem_CAD_podklady_pro_stažení