Pavlínek s.r.o. - Profesionál přes zvedání, upínání a manipulaci s nákladem

FW hák formový, třída 10, PEWAG WINNER

PEWAG  |  SKU: 1130PE03-0007
Velikost
569,00 Kč bez DPH
Dopravu Vám vypočítáme před odesláním objednávky v pokladně.

FW formový hák

Odpovídá normě EN 1677-1 s vyšší nosností.
Pro pewag montovaný a svařovaný systém.

Pro případy, kdy šířka huby háku u HSW nedostačuje - především ve slévarenství. Před použitím nutno zjistit, zda je povoleno použít hák bez bezpečnostní pojistky.
Pro závěsy v G8: nemontovat s unilockem! 

Šířka huby háku je významná.

Tento hák s extra širokým rozevřením je používán tam, kde jiné háky selhávají, především ve slévárenství. Je vhodný pro Connex i svařované systémy. Tento produkt je vyroben dle normy EN 1677‑1 s mechanickými hodnotami pro G10 a je dodáván s návodem k použití.

Označení CE a BG certifikace zaručují nejvyšší kvalitu. Tento extra široký hák nabízí mnoho možností použití. Dbejte ale, prosím, na to, aby nebyla zatížena špička háku a hák byl použit pouze v přímém tahu. Před použitím se ujistěte, zda je povolené použití háku bez bezpečnostní pojistky.

Hák není vhodný pro montáž s Unilock spojovacími prvky.

FW hák formový, třída 10, PEWAG WINNER

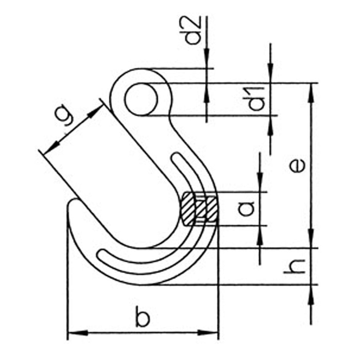
Označení Nosnost e h a d1 d2 g b Nosnost
--- kg mm mm mm mm mm mm mm kg/ks
FW 7/8 2500 131 29 25 24 11 64 118 0,92
FW 10 4000 158 35 32 31 14 76 143 1,77
FW 13 6700 190 42 40 39 17 89 170 2,82
FW 16 10000 224 50 46 47 22 102 200 5,03
FW 20 16000 260 61 54 56 28 114 231 9,24
F 22 15000 265 70 61 47 30 127 260 9,31
F 26 21200 305 80 72 54 34 136 280 19,21
F 32 31500 327 93 83 60 37 152 336 28,00
FW hák formový, třída 10, PEWAG WINNER
PEWAG

FW hák formový, třída 10, PEWAG WINNER

Od 569,00 Kč bez DPH

FW formový hák

Odpovídá normě EN 1677-1 s vyšší nosností.
Pro pewag montovaný a svařovaný systém.

Pro případy, kdy šířka huby háku u HSW nedostačuje - především ve slévarenství. Před použitím nutno zjistit, zda je povoleno použít hák bez bezpečnostní pojistky.
Pro závěsy v G8: nemontovat s unilockem! 

Šířka huby háku je významná.

Tento hák s extra širokým rozevřením je používán tam, kde jiné háky selhávají, především ve slévárenství. Je vhodný pro Connex i svařované systémy. Tento produkt je vyroben dle normy EN 1677‑1 s mechanickými hodnotami pro G10 a je dodáván s návodem k použití.

Označení CE a BG certifikace zaručují nejvyšší kvalitu. Tento extra široký hák nabízí mnoho možností použití. Dbejte ale, prosím, na to, aby nebyla zatížena špička háku a hák byl použit pouze v přímém tahu. Před použitím se ujistěte, zda je povolené použití háku bez bezpečnostní pojistky.

Hák není vhodný pro montáž s Unilock spojovacími prvky.

FW hák formový, třída 10, PEWAG WINNER

Označení Nosnost e h a d1 d2 g b Nosnost
--- kg mm mm mm mm mm mm mm kg/ks
FW 7/8 2500 131 29 25 24 11 64 118 0,92
FW 10 4000 158 35 32 31 14 76 143 1,77
FW 13 6700 190 42 40 39 17 89 170 2,82
FW 16 10000 224 50 46 47 22 102 200 5,03
FW 20 16000 260 61 54 56 28 114 231 9,24
F 22 15000 265 70 61 47 30 127 260 9,31
F 26 21200 305 80 72 54 34 136 280 19,21
F 32 31500 327 93 83 60 37 152 336 28,00

Velikost

  • FW 7-8
  • FW 10
  • FW 13
  • FW 16
  • FW 19-20
Zobrazit produkt